beats365

beats365¶¯Á¦
¹ÉƱ´úÂë 301236
China
China Global
  • ¼¯ÍŹÙÍø
    ¹«Ë¾ÏÈÈÝ¡¢ÐÂÎŶ¯Ì¬¡¢·þÎñÓëÐÐÒµµÈÐÅÏ¢
  • beats365ÅÌËã»ú
    ÐÅ´´¹¤ÒµIT»ù´¡ÉèÊ©ÕûÌ弯»®¼°²úÆ·ÌṩÉÌ
  • ÖÇͨ¹ú¼Ê
    Éî¸û¸ßÐÔÄÜPCÊг¡Ê®ÓàÄ꣬£¬£¬£¬£¬£¬£¬£¬ÒýÁìÐÐÒµÁ¢ÒìµÄ¹ú»õÓÎÏ·±¾Æ·ÅÆ¡ª¡ª»úе¸ïÃü
  • ºèºþÍòÁª
    רעÖÇÄÜÎïÁªÍø²Ù×÷ϵͳÑз¢ºÍ¹¤Òµ»¯·þÎñ
  • beats365½ÌÓý
    רעÓÚICTÈ˲ʩӦÓë×÷Óý
beats365¶¯Á¦

ÔÆÊÖÒÕ¸³ÄÜÖÆÔìÒµ£¬£¬£¬£¬£¬£¬£¬£¬beats365¶¯Á¦Îª¹úï¹É·Ý²åÉÏÊý×Ö»¯Í¬µ³

2023.10.31

Êý×Ö»¯¡¢ÍøÂ绯¡¢ÖÇÄÜ»¯ÊÇÊý×Ö¾­¼Ãʱ´úÉú³¤µÄÖ÷ÒªÌØÕ÷¡£ ¡£¡£¡£¡£¡£¡£¡£Óë´Ëͬʱ£¬£¬£¬£¬£¬£¬£¬£¬ÍøÂçÇå¾²Ò²ÔÚÏòϵͳ»¯¡¢³£Ì¬»¯¡¢ÊµÕ½»¯Æ«ÏòÂõ½ø£¬£¬£¬£¬£¬£¬£¬£¬ÆóÒµÉÏÔÆ½¨ÉèÕý´Ó²úÆ·Çý¶¯Ïò·þÎñÇý¶¯×ª±ä¡£ ¡£¡£¡£¡£¡£¡£¡£beats365¶¯Á¦ÒÔÑÇÂíÑ·ÔÆ¿Æ¼¼ÆÕ±é¶øÉîÈëµÄ·þÎñÓëÊÖÒÕΪÇÐÈëµã£¬£¬£¬£¬£¬£¬£¬£¬Îª³öº£ÆóÒµÌá¹©ÔÆÔ­ÉúÓ¦Óÿª·¢¡¢ÉÏÔÆÇ¨áã¡¢¼Ü¹¹ÓÅ»¯¡¢ÔÆÉÏÔËά¹ÜÀíµÈ·þÎñ£¬£¬£¬£¬£¬£¬£¬£¬×ÊÖúÆä¼ÓËÙÊý×Ö»¯×ªÐÍÀú³Ì£¬£¬£¬£¬£¬£¬£¬£¬ÊÍ·ÅӪҵDZÄÜ¡£ ¡£¡£¡£¡£¡£¡£¡£

½­ËÕ¹úï¼õËÙ»ú¹É·ÝÓÐÏÞ¹«Ë¾£¨ÒÔϼò³Æ“¹úï¹É·Ý”£©£¬£¬£¬£¬£¬£¬£¬£¬Î»ÓÚ½­ËÕÊ¡³£ÖÝÊУ¬£¬£¬£¬£¬£¬£¬£¬¼ç¸º“³ÉΪÌìϼ¶´«¶¯×¨¼Ò”Ô¸¾°£¬£¬£¬£¬£¬£¬£¬£¬¹úï¹É·Ý¾ß±¸ÐÛºñµÄÖÖÖÖ¹¤Òµ¼õËÙ»úºÍµç»úÑз¢¡¢ÖÆÔìÈ«Ì×ÊÖÒÕÁ¦Á¿¼°ÏȽø²âÊÔÊֶΣ¬£¬£¬£¬£¬£¬£¬£¬Îª²úÆ·Ìṩϵͳ»¯µÄÕûÌåÊÖÒÕ½â¾ö¼Æ»®·þÎñ£¬£¬£¬£¬£¬£¬£¬£¬ÊÇÖйúͨÓûúе¹¤Òµ¼õ±äËÙ»úÐÐÒµµÄ±ê¸ËÐÍ×¨ÒµÖÆÔì·þÎñÆóÒµ¡£ ¡£¡£¡£¡£¡£¡£¡£

Ëæ×Źú¼Ò“ÖйúÖÆÔì2035”¶ÔÐÅÏ¢»¯½¨ÉèµÄÖ¸µ¼£¬£¬£¬£¬£¬£¬£¬£¬ÒÔ¼°¹úï¹É·Ý×ÔÉíÐÅÏ¢ÊÖÒÕºÍÊý×ÖÊÖÒÕµÄÉú³¤ºÍ½á¹¹ÒªÇó¡£ ¡£¡£¡£¡£¡£¡£¡£¹«Ë¾Ïòµ¼Ìá³öÁËÒÀ¸½ÐÂÐË»¥ÁªÍøÊÖÒÕ½¨Éè¾ß±¸ÌìÏÂÏȽøË®Æ½µÄÐÅÏ¢»¯ÏµÍ³£¬£¬£¬£¬£¬£¬£¬£¬Í¨¹ýÔÆÅÌËã½á¹¹¿ªÍØÍâÑóÊг¡£¬£¬£¬£¬£¬£¬£¬£¬ÊµÏÖÊý×Ö»¯ÖÆÔì¡¢ÖÇÄÜÖÆÔìµÄÕ½ÂÔ¡£ ¡£¡£¡£¡£¡£¡£¡£

beats365¶¯Á¦×÷ΪÖйúÁìÏȵÄÈí¼þÓëÐÅÏ¢ÊÖÒÕ·þÎñÉÌ£¬£¬£¬£¬£¬£¬£¬£¬ÒÀ¸½ÉîÖ¿µÄÐÐÒµ»ýÀÛÒÔ¼°ºÍÁìÏȵÄÊÖÒÕʵÁ¦£¬£¬£¬£¬£¬£¬£¬£¬Æð¾¢ÏìÓ¦ÅäºÏ¹úï¹É·ÝµÄÕ½ÂÔÄ¿µÄ¡£ ¡£¡£¡£¡£¡£¡£¡£Óë¹úï¹É·ÝµÄÊÖÒÕ²¿·ÖͨÁ¦Ð­×÷£¬£¬£¬£¬£¬£¬£¬£¬½«DDDÉè¼ÆÀíÄ΢·þÎñ¡¢DevopsµÈÏȽøÊÖÒÕÒýÈ룬£¬£¬£¬£¬£¬£¬£¬¶Ô¹úï¹É·ÝÏÖÓÐÊÖÒռܹ¹¾ÙÐÐË¢ÐÂÉý¼¶£¬£¬£¬£¬£¬£¬£¬£¬¼«´óÌáÉýÁË¿ª·¢Ð§ÂÊÓëÓ¦Óÿɿ¿¶È¡£ ¡£¡£¡£¡£¡£¡£¡£½èÖúÑÇÂíÑ·ÔÆ¿Æ¼¼ÔÚÍâÑóµÄƽ̨×ÊÔ´ÓÅÊÆ£¬£¬£¬£¬£¬£¬£¬£¬ÖúÁ¦×ÅʵÏÖITϵͳȫÇò»¯Í³Ò»°²ÅÅ£¬£¬£¬£¬£¬£¬£¬£¬½µµÍÁËÆóÒµ±¾Ç®¡£ ¡£¡£¡£¡£¡£¡£¡£Í¨¹ýÒ»Á¬¸³Äܵķ½·¨£¬£¬£¬£¬£¬£¬£¬£¬½«¹úï¹É·ÝÔ­ÓйŰåÔËάÍŶÓÌáÉýΪÁËӪҵѸËÙÍŶÓ£¬£¬£¬£¬£¬£¬£¬£¬Óɱ¾Ç®ÖÐÐÄÏò¼ÛÖµÖÐÐľÙÐÐÁËת±ä¡£ ¡£¡£¡£¡£¡£¡£¡£

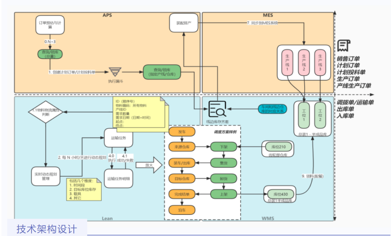
ÒÔÊý×ÖÊÖÒÕÖúÁ¦¹úï¹É·ÝÇý¶¯Ñз¢ÏµÍ³Àå¸ï

Õë¶Ô¹úï¹É·Ý¿ª·¢ÖÜÆÚ³¤¡¢±¾Ç®¸ß¡¢ÍŶӳÉԱȱ·¦¶ÔÐÂÊÖÒÕ¡¢ÐÂÀíÄîµÄÃ÷È·ºÍÕÆÎÕµÈÎÊÌ⣬£¬£¬£¬£¬£¬£¬£¬beats365¶¯Á¦Í¨¹ýÁìÓòÆÊÎöºÍÉè¼Æ£¬£¬£¬£¬£¬£¬£¬£¬ÀåÇåÓªÒµ¼Ü¹¹£¬£¬£¬£¬£¬£¬£¬£¬´ÓÓªÒµµÄ½Ç¶ÈÉè¼ÆITϵͳ£¬£¬£¬£¬£¬£¬£¬£¬Îª¹úï¹É·ÝÁ¿Éí¶¨ÖÆ»ùÓÚAWSÔÆÆ½Ì¨µÄÔÆÔ­Éú¿ª·¢¼°Î¢·þÎñ»¯¼Ü¹¹ÂäµØÊµÑ飬£¬£¬£¬£¬£¬£¬£¬²¢ÔÚÏîÄ¿½»¸¶Àú³Ì»ùÓÚÑÇÂíÑ·ÔÆÔ­Éú¿ª·¢DDDÁìÓòÇý¶¯Éè¼ÆÍŽáÏÖʵӪҵºÏÀí»®·Ö΢·þÎñ²¢½ÓÄÉjava spring-Cloud ΢·þÎñ¼Ü¹¹¡£ ¡£¡£¡£¡£¡£¡£¡£ÁíÍ⣬£¬£¬£¬£¬£¬£¬£¬½ÓÄÉÑÇÂíÑ·ÔÆ Code PipelineÍŽáEKS×é¼þʵÏÖ¾µÏñµÄ×Ô¶¯»¯CI/CD,½ÓÄÉX-ray¿ÉÊÓ»¯Î¢·þÎñ¼äµÄϵͳŲÓ㬣¬£¬£¬£¬£¬£¬£¬È۶ϵȡ£ ¡£¡£¡£¡£¡£¡£¡£

»ùÓÚ¶Ô¹úï¹É·ÝÕûÌåÏúÊÛºÍÉú²úÁ÷³ÌµÄÃ÷È·£¬£¬£¬£¬£¬£¬£¬£¬beats365¶¯Á¦Õë¶Ô¹úï¹É·ÝAPSϵͳºÍWMSϵͳÉÏÏÂÓÎϵͳµÄ¾ÙÐгä·Öµ÷ÑкÍÓªÒµÊáÀí£¬£¬£¬£¬£¬£¬£¬£¬Âòͨ´ÓÏúÊ۶˵½Éú²ú¶ËȫӪҵÁ÷³Ì£¬£¬£¬£¬£¬£¬£¬£¬ÊµÏÖÈ«Á´Â·µÄÊý×Ö»¯Ë¢Ð£¬£¬£¬£¬£¬£¬£¬£¬ÌáÉýÉú²úЧÂʺ;­¼ÃÐ§Òæ¡£ ¡£¡£¡£¡£¡£¡£¡£Éè¼ÆSQSºÍSNS¾ÙÐÐÉÏÏÂÓÎϵͳµÄ½»»¥Ï¢Õùñ£¬£¬£¬£¬£¬£¬£¬LEANϵͳ´ÓWMSÖлñÈ¡µ½ÌôËôʹÃü£¬£¬£¬£¬£¬£¬£¬£¬¾ÙÐпìËٵľۺϺÍÌìÉúÅäË͵¥£¬£¬£¬£¬£¬£¬£¬£¬Í¨¹ýSQS·¢ËÍÅäË͵¥¸øWMS¾ÙÐм¯»õ¡¢³ö¿â¡¢ÅäËÍ¡¢Èë¿âµÈ²Ù×÷£¬£¬£¬£¬£¬£¬£¬£¬¿ìËÙÏìÓ¦ÏúÊÛ¶©µ¥Ê¹Ãü£¬£¬£¬£¬£¬£¬£¬£¬ÊµÏÖÉú²úN+3µÄ¶©µ¥Ä¿µÄ¡£ ¡£¡£¡£¡£¡£¡£¡£beats365(ÖйúÇø)-Ψһ¹Ù·½ÍøÕ¾

beats365(ÖйúÇø)-Ψһ¹Ù·½ÍøÕ¾

ÐÂÎÅ

ÍøÕ¾µØÍ¼